Gewoon eens proberen. SWMM geïnstalleerd, een SUF-HYD-bestand opgeduikeld en dit omgezet naar een invoerbestand voor SWMM. Dat kost even wat puzzelwerk, maar bleek prima te doen. Het resultaat? Zie onderstaande screenshot. Heel aardig!
Nu controleren of het ook geografisch een beetje op de juiste plek is gekomen. Dat is prima te zien door een achtergrondplaatje in te laden, bijvoorbeeld een luchtfoto van Google Maps:
Ziet er prima uit! Dat geeft vertrouwen. Volgende stap is om eens een berekening uit te voeren. Niet te moeilijk doen; Bui08 van de Leidraad Riolering. De locaties waar water op straat berekend wordt komen overeen met de locaties die naar voren komen in de oorspronkelijke berekening met Sobek:
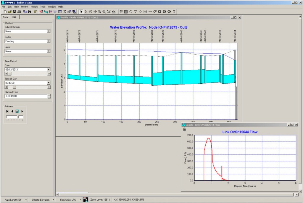
Analyse van de berekeningen kan onder andere door dwarsprofielen en grafieken. Hier een dwarsprofiel over een straat met veel berekend water op straat tot de dichtstbijzijnde overstort en een grafiek van de afvoer via de overstort:
Mijn conclusie is dat het redelijk eenvoudig is om een stelsel vanuit het standaardformaat SUF-HYD om te zetten naar een rekenmodel in SWMM. Het proberen waard als je er ‘lol’ in hebt om een stelsel te doorgronden of om eens te kijken wat eenvoudige aanpassingen voor consequenties hebben.
Zelf proberen! Als je vragen hebt kun je natuurlijk contact met me opnemen. Ik help je graag. En als je in SWMM al dingen hebt ontdekt of bedacht dan hoor ik ze ook graag!



Pingback: Welkom | Wisselink-Advies